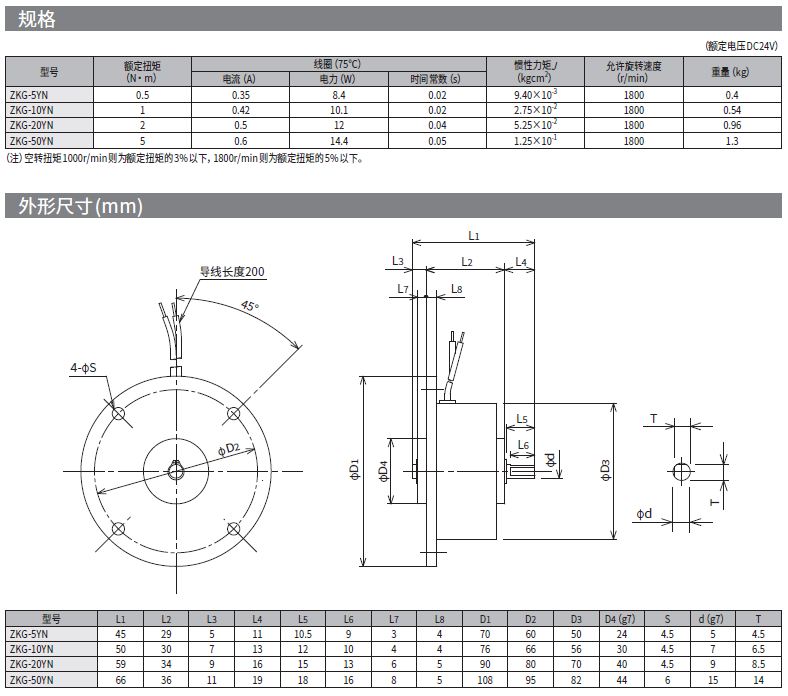
ZKG-YN型微型磁粉制动器额定扭矩:0.5~5(N·m)自然冷却式突出轴型紧凑设计的微型系列。旋转部的惯性力矩设置小。可从5r/min开始使用。
LD-40PSU型电源装置是,利用来自面板表面的旋钮和外部的信号电压、外置旋钮等,可以改变...
LX-TD型张力检测器LX-TD 型张力检测器与LE7-40GU-L、LE-10WTA-C...
LE-10WTA-CCL张力控制器LE-10WTA-CCL 型、LD-10WTB-CCL ...
LD-10PAU型功率放大器LD-10PAU- □型功率放大器是控制DC24V 系小型磁粉...
我们的专业技术团队随时为您提供帮助
扫描微信二维码咨询